打开微信扫描二维码分享
×
中国政府网
|
重庆市人民政府网
|
奉节县人民政府网
|
部门街道
部 门
县发展改革委
县教委
县科技局
县经济信息委
县公安局
县民政局
县司法局
县财政局
县人力社保局
县规划自然资源局
县生态环境局
县住房城乡建委
县城管局
县交通运输委
县水利局
县农业农村委
县商务委
县文化旅游委
县卫生健康委
县退役军人事务局
县应急局
县审计局
县市场监管局
县统计局
县医保局
县林业局
县信访办
乡 镇
永安街道办事处
鱼复街道办事处
夔门街道办事处
夔州街道办事处
白帝镇人民政府
草堂镇人民政府
汾河镇人民政府
岩湾乡人民政府
康乐镇人民政府
大树镇人民政府
竹园镇人民政府
青莲镇人民政府
平安乡人民政府
公平镇人民政府
石岗乡人民政府
红土乡人民政府
朱衣镇人民政府
康坪乡人民政府
新民镇人民政府
鹤峰乡人民政府
五马镇人民政府
冯坪乡人民政府
吐祥镇人民政府
青龙镇人民政府
太和土家族乡人民政府
云雾土家族乡人民政府
甲高镇人民政府
羊市镇人民政府
安坪镇人民政府
兴隆镇人民政府
长安土家族乡人民政府
龙桥土家族乡人民政府
永乐镇人民政府
微信
无障碍/关怀版
无障碍浏览
关怀版(进入老年模式)
繁體版
智能机器人
网站支持IPv6
登录
|
退出
注册
奉节县
搜索
首页
政务公开
渝快办
互动交流
您当前的位置:
部门
>
县公安局
>
政务公开
>
政府信息公开目录
>
户籍管理领域
>
标准目录
您当前的位置:
县公安局
>
政务公开
>
政府信息公开目录
>
户籍管理领域
>
标准目录
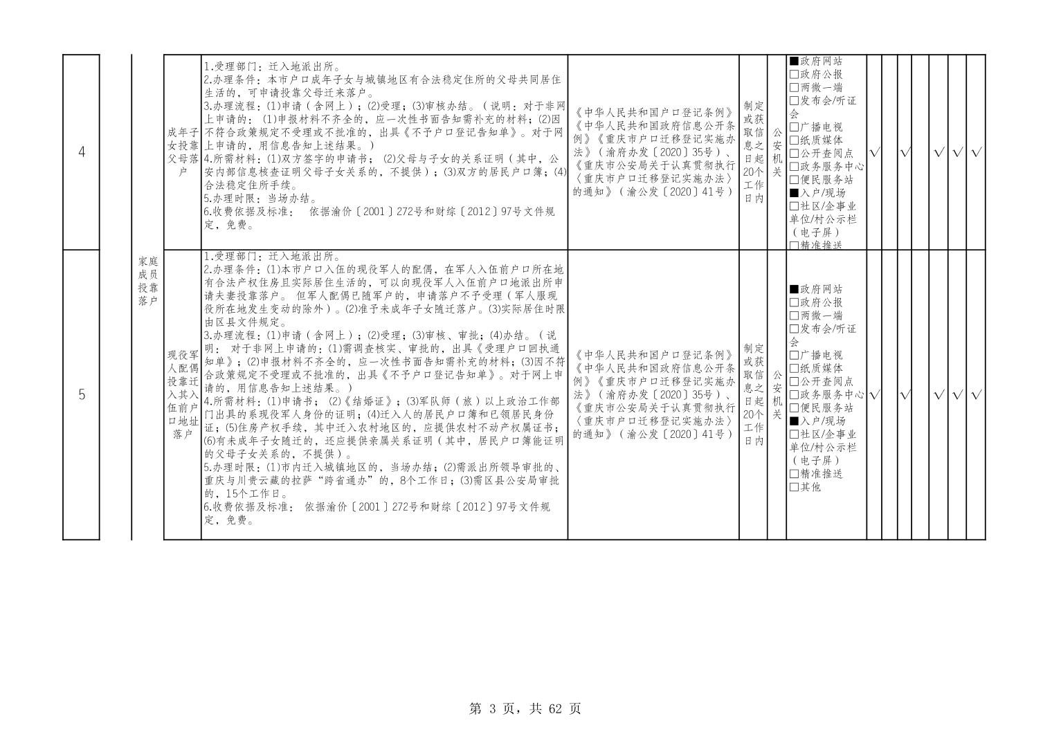
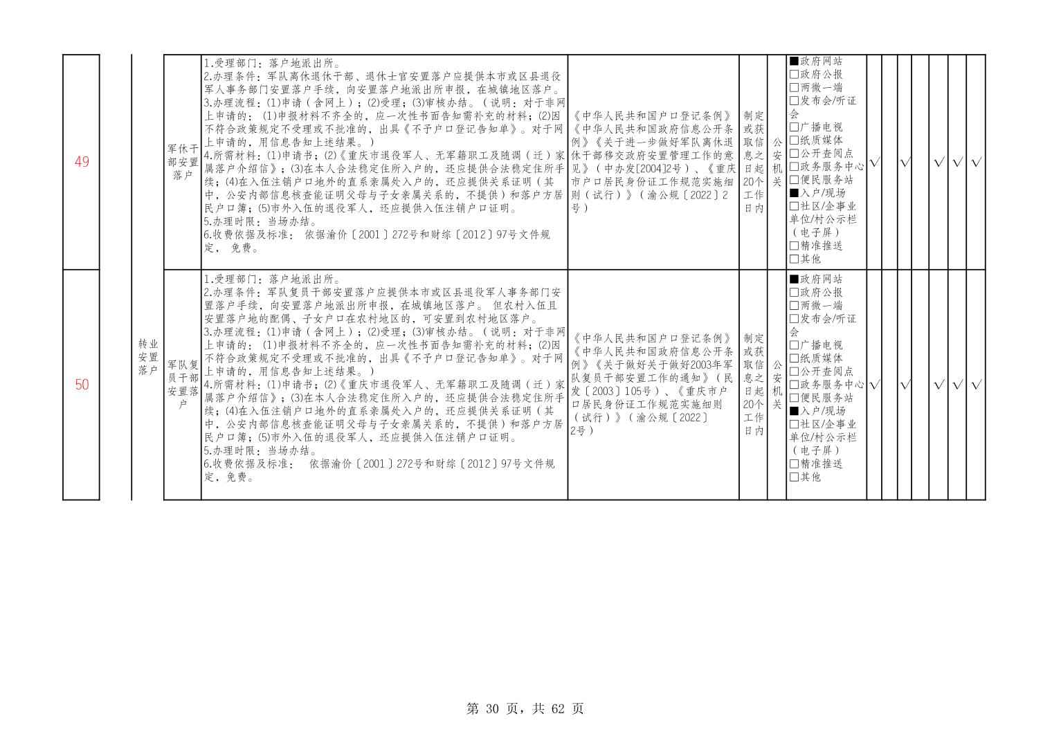
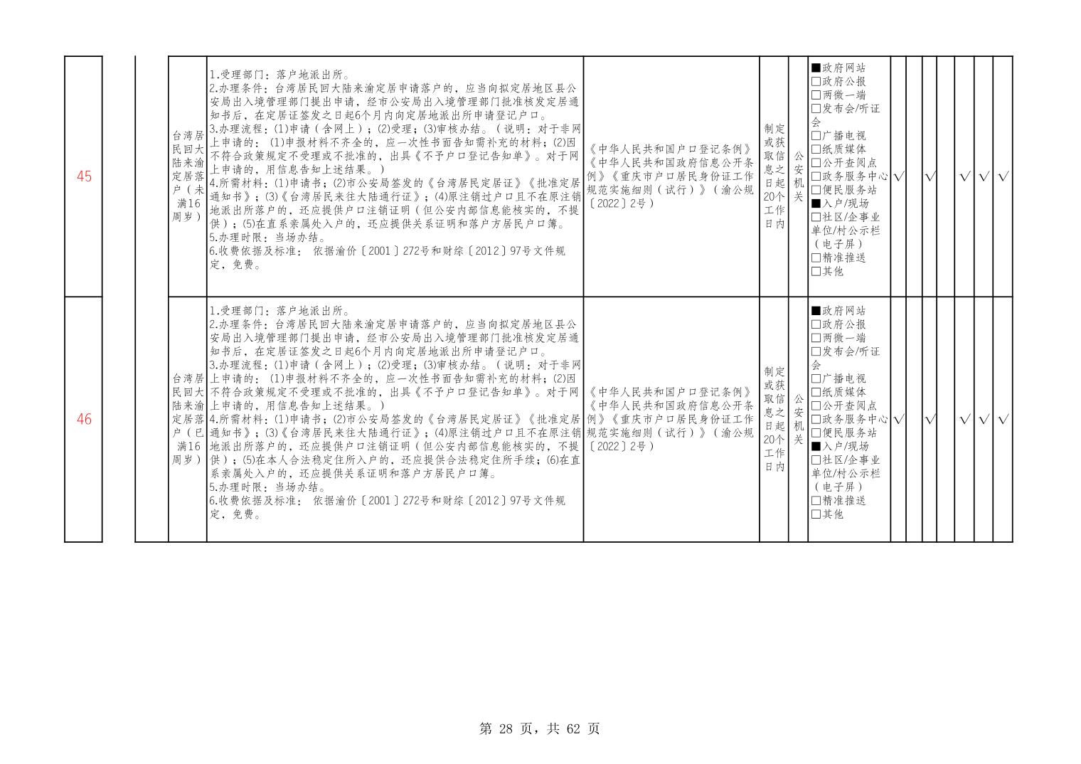
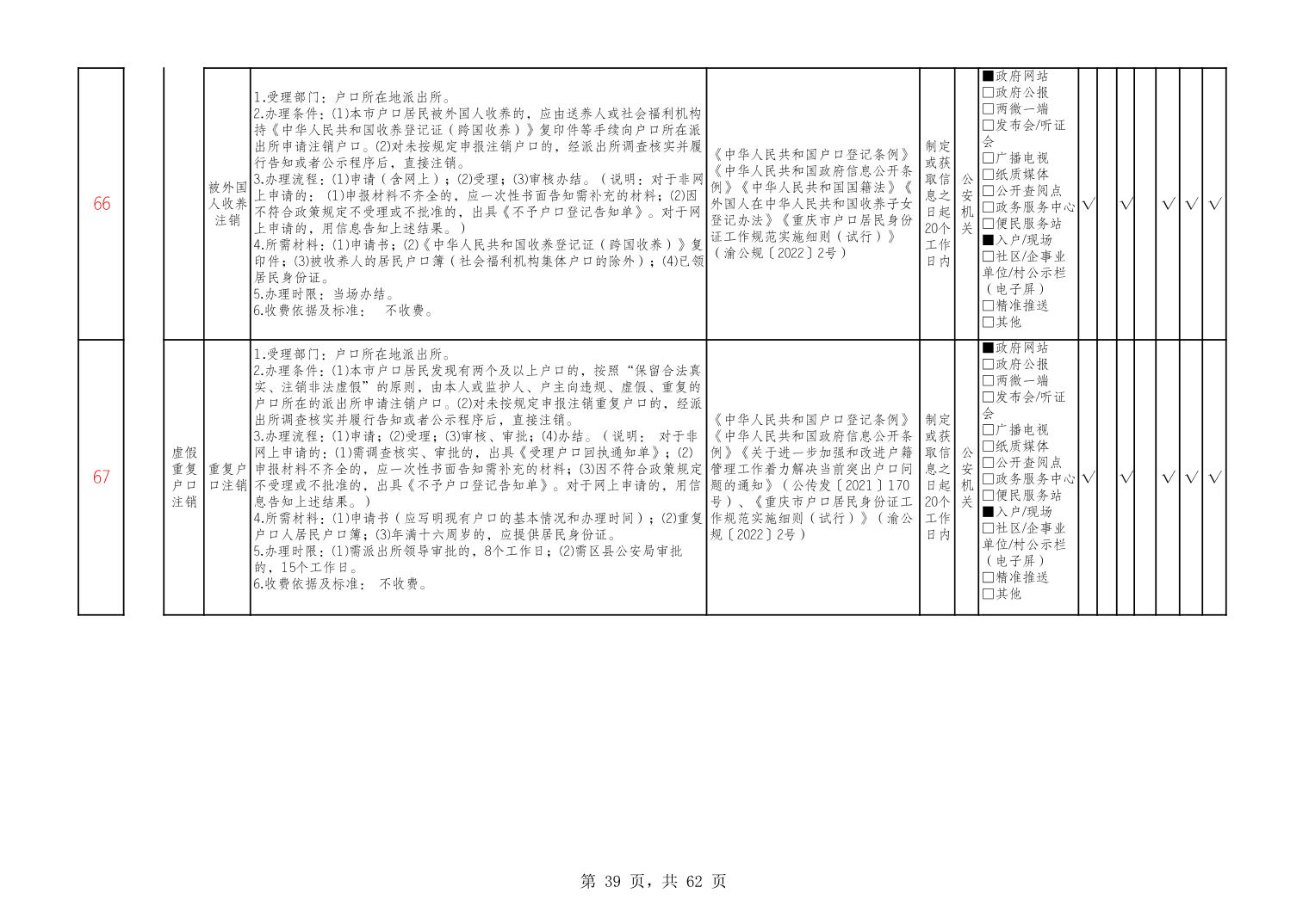
重庆市户籍管理领域政务公开标准目录(修订稿三)
日期:2022-04-08
大
中
小
扫一扫在手机打开当前页