2025年10月城市供水水厂出厂水水质监测结果予以公示
日期:2025-11-06

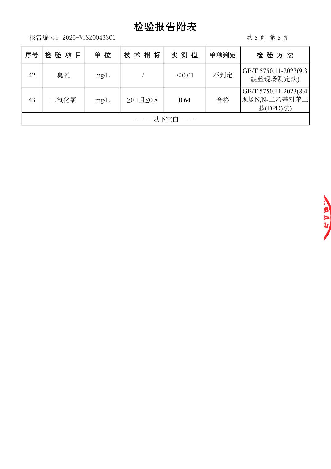
按照《重庆市供节水条例》、《重庆市城市供水水质管理办法》要求,现将2025年10月城市供水水厂出厂水水质监测结果予以公示。




扫一扫在手机打开当前页